Bushing | SM 1273-61

Filter
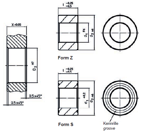
Product information "Bushing | SM 1273-61"

for positioning clamping pins

Material:
ST: case-hardened steel
case-hardened, blackened
NI: stainless steel 1.4112
hardened

Form Z: centrical
Form S: floating, with groove

Assembly
Two centering bushes and two floating bushes are to be mounted into the plate to be clamped in order guarantee an optimal repeatability

Characteristics
The floating bush has a groove that serves as a differentiation mark.

RoHS-compliant: yes

Compliance: RoHS compliant
Material: Stainless steel, Steel
Surface: Stainless steel - bright, Steel - burnished
Type of use: Bushings, Positioning bushes / bolts, Positioning clamping bolt

Zubehör

Positioning clamping pin | SM 1273-64
Positioning clamping pin | SM 1273-64
Material:ST: heat-treated steeltempered, blackenedNI: stainless steel 1.4542precipitation-hardened For quick clamping, fixing, adjusting, changing and securing workpieces, plates, fixtures, etc.Tightening the clamping screw centres and clamps the positioning clamping bolt by means of four balls in the mounting bushing.The clamping screw can be operated using the removable SM 1273-65 handle or an Allen key.The positioning clamping bolt is locked when it can no longer be tightened by hand.Do not operate under load!Advantages:Vibration and oscillation damping during machining,Protection against unintentional loosening of the bolt (e.g. due to vibration),High repeat accuracy of ± 0.03 mm,Easy handling during assembly/disassembly thanks to key surfaces and knurling.Notes:Positioning clamping bolts are used in industry inside buildings.- They are not intended for different modes of operation as they are a manual tool.- The maximum load capacity (see data sheet) must not be exceeded.- Once the number of permissible load cycles (10,000) has been exceeded, the positioning clamping bolt must no longer be used.- The positioning clamping bolts must be checked for visible defects or damage before each use, e.g. deformations, breaks , cracks, damage, missing balls, corrosion, unlocking function.Damaged positioning clamping bolts must be replaced.- The positioning clamping bolts mustnot be used as protective devices or safety features,not as tensioning elements,not for continuously rotating loads,not for lifting, holding or carrying persons,not if maintenance or inspection is lacking,and never without the hexagon socket lock.- Permissible ambient temperature: -30 °C to +120 °C- Permissible humidity: max. 60 %RoHS-compliant: yes

From €127.26* incl. VAT

Ähnliche Artikel

Locating bushing | SM 1273-62
Locating bushing | SM 1273-62
for press fitfor positioning clamping pins Material:ST: case-hardened steelcase-hardened, blackenedNI: stainless steel 1.4112hardenedThe press fit locating bushing for positioning clamping pins are inserted in the machine table or the base plate with light pressure. RoHS-compliant: yes

From €21.04* incl. VAT
Locating bushing | SM 1273-63
Locating bushing | SM 1273-63
for screw fitfor positioning clamping pins Material:ST: case-hardened steelcase-hardened, blackenedNI: stainless steel 1.4112hardened These locating bushings are inserted in the machine table or in the base plate and are screwed on. Supplied with mounting screws.RoHS-compliant: yes

From €49.48* incl. VAT