Die bushing - ISO 8977 | SM 10061








from €18.08*
€25.16*
Available in 5 days
Diameter 1 | Diameter 2 | Form | Length 1 | Product number | Unit price | Buy |
---|
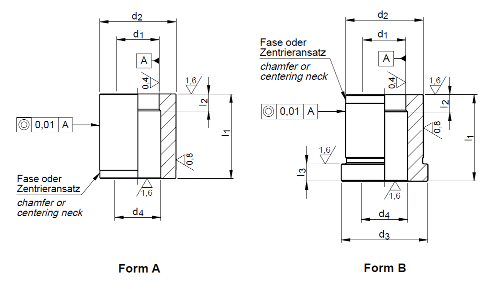
with or without collar
Material:
H: HSS high-speed steel
hardened and ground
Hardness: HRc 63±1
RoHS-compliant: yes
The cutting bushes according to ISO 8977
are used in punching
and cutting tools in plastic and metal processing.
Typical areas of application are the automotive industry,
electronics production and
mechanical engineering.
They are highly wear-resistant and dimensionally stable,
thus improving the cutting quality and extending the service life of the tools,
making production processes more efficient and cost-effective.
Available with chamfer or centring attachment on request.
DIN / ISO: | ISO 8977 and similar |
---|---|
Element type: | Cutting bushings |
Material: | High Speed Steel, Steel - hardened |
Speciality: | With collar , Without collar |
Surface: | grinded |
Similar Items
Accessory Items