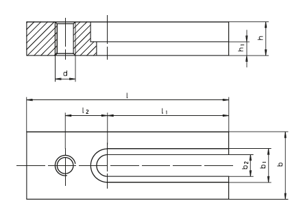
Holding plate | SM 1088-01

Filter
Product information "Holding plate | SM 1088-01"

for down-hold clamp SM 1088

Material:
heat-treated steel
tempered
blackened

For down-hold clamps SM 1088.
By using the holding plates, the down-hold clamps can be placed
in any desired posiotion across the T-slots.

RoHS-compliant: yes

Material: Quenched and tempered steel
Surface: Steel - burnished
Type: Levers and tensioners

Zubehör

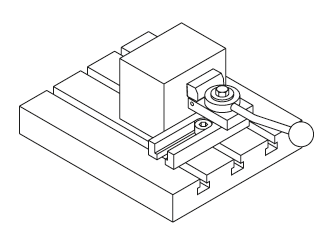
Down-hold clamp | SM 1088
Down-hold clamp | SM 1088
with clamping lever Material: steel case-hardened, blackened Note:The quick-acting clamping element simultaneously presses the workpieces towards the fixed stops and towards the bearing plates. The shallow height enables full face machining. Forms:AER: with flat clamping jaw, clamping to the rightAEL: with flat clamping jaw, clamping to the leftAPR: with V-clamping jaw, clamping to the rightsAPL: with V-clamping jaw, clamping to the left RoHS-compliant: yes  

From €224.48* incl. VAT