MS17984 / NAS1333-1343 - Ball lock pin | Aviation












from €32.19*
€32.19*
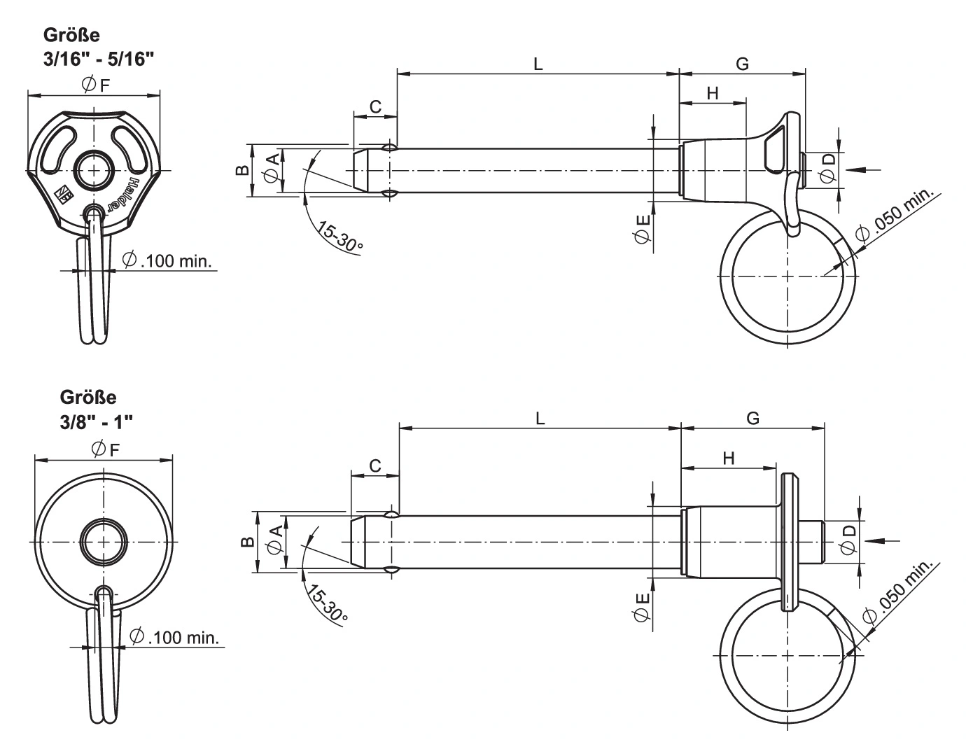
Clamping length L [inch] | Nominal diameter A [inch] | Product number | Unit price | Buy |
---|
Safety bolt SM 1276-1-L
single-acting
with mushroom grip
according to aviation standard MS17984 / NAS1333-1343
Material:
Sleeve: stainless steel - CRES 17-4PH (specification AMS5643)
precipitation hardened, passivated
Pin: Stainless steel - CRES 17-4PH (specification AMS5643)
precipitation hardened, passivated
Spring: stainless steel - CRES 302 (specification ASTM-A-313)
passivated
Key ring: stainless steel - CRES 302 (specification ASTM A-313/A313M)
passivated
Push button: stainless steel - CRES 303 (specification ASTM A484/484M)
passivated
Ball: stainless steel - CRES 440C (specification AMS5630)
precipitation hardened, passivated
Handle:
3/16" to 5/16"
Aluminum -Alum.Alloy 380 (Specification ASTM B85/B85)
black anodized
3/8" to 1"
Aluminum -Alum.Alloy 6061-T6 (Specification AMS-QQ-A200/8)
black anodized
Surface treatment:
All stainless steel parts passivated according to AMS2700.
All aluminium parts anodized according to MIL-A-8625.
Pressing = unlocking
SM 1276-1-L ball lock pins are self-locking, single-acting pins.
They are used for quick fixing, locking, adjusting, changing and securing.
The balls are unlocked without tools using a push button.
SM 1276-1-L ball lock pins are
- extremely resilient to shear,
- corrosion-resistant and therefore optimally protected against wear,
- can be released quickly and easily for frequently repeated connections,
- manufactured in accordance with aviation standard MS / NAS and tested in accordance with NAS 1332,
- also known as locking pins, safety pins, ball lock pins, quick release pins or pip pins.
- Manufactured in INCH dimensions.
Temperature application range from: -65°F to 200°F.
The SM 1276-1-L ball lock pins are used in the aviation sector for ground support (GSE) or maintenance, repair and overhaul (MRO),
for example as a so-called gear pin or steering bypass pin for pushback.
For similar versions in metric dimensions as standard parts, see SM 1273-71, SM 1273-72 or SM 1273-77.
Conformity / regulations:
- RoHS compliant according to Directive 2011/65/EU and Directive 2015/863.
- Contains no SVHC substances with more than 0.1% w/w (SVHC list as of 21.01.2025).
- Contains no Proposition 65 substances. There are no substances with chemical exposure warnings (Proposition 65 warnings).
- Free of conflict minerals. This product does not contain any substances designated as "conflict minerals" such as tantalum, tin, gold or tungsten from the Democratic Republic of Congo or neighboring countries.
On request:
Other diameters and lengths.
Double acting variants.
Special versions for special applications.
Various warning flags as accessories.
ähnliche Artikel