Gewindetragbolzen | SM 1273-836
ab 199,99 €*
207,79 €*
| Durchmesser 1 | Länge 1 | Material | Artikel | Preis | Bestellen |
|---|
selbstsichernd
mit Handgriff
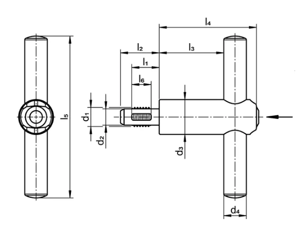
Material:
NI:
Druckknopf: Aluminium, rot eloxiert
Griff: Aluminium, blau eloxiert
Bolzen: rostfreier Stahl 1.4542, ausscheidungsgehärtet
Gewindeelement: rostfreier Stahl 1.4542, ausscheidungsgehärtet
Feder: rostfreier Stahl
Die Gewindetragbolzen SM 1273-836 sind korrosions- und witterungsbeständigkeit und somit gut
für den Einsatz im Außenraum geeignet.
Drücken = Entriegeln
Die Gewindetragbolzen SM 1273-836 sind schnell und einfach einsetzbare, robuste Tragelemente mit Handgriff.
Zum Heben von Lasten wird der Gewindetragbolzen in eine Gewindebohrung gesteckt.
Im Gegensatz zu einer Ringschraube entfällt somit das zeitaufwändige Ein- und Ausschrauben.
Montage:
Knopf eindrücken und gedrückt halten | Gewindetragbolzen einstecken | Knopf loslassen (Der Knopf muss sich wieder in Ausgangsstellung befinden.
Eine deutlich erkennbare grüne Markierung am Druckknopf signalisiert die richtige Stellung.) | Gewindetragbolzen von Hand andrehen,
bis er vollflächig auf der Auflagefläche aufliegt. | Es muss sichergestellt sein, dass die Gewindesegmente im Aufnahmegewinde eingerastet sind.
Der Knopf (A) ist arretiert, wenn er durch die Federkraft wieder in die Ausgangsstellung zurückgefedert und die grüne Markierung deutlich erkennbar ist.
Knopf unter Last nicht betätigen
Demontage:
Gewindetragbolzen ca. eine viertel Umdrehung entgegen dem Uhrzeigersinn aufdrehen | Knopf eindrücken und gedrückt halten | Gewindetragbolzen herausziehen | Knopf loslassen.
Hinweise:
- Gewindetragbolzen mit Handgriff sind gebaut für das händische
Heben und Halten von Einzellasten (keine Personen!!).
- Gewindetragbolzen mit Handgriff dürfen nicht an einen Kran, ein
Hebezeug o. ä. angebracht, sondern nur von Hand getragen werden.
- Gewindetragbolzen mit Handgriff sind nicht für das ständige
Rotieren der Last geeignet.
- Verschmutzungen (z. B. Schleifschlamm, Öl- und
Emulsionsablagerungen, Stäube...) können die Funktion von
Gewindetragbolzen mit Handgriff beeinträchtigen.
- Beschädigte Gewindetragbolzen mit Handgriff können zu
Verletzungen führen.
- Vor jedem Gebrauch sind Gewindetragbolzen
mit Handgriff auf sichtbare Mängel
(z. B. Verformungen, Brüche,
Risse, Beschädigungen, fehlende Gewindeelemente, Korrosion,
Funktion der Entriegelung) zu untersuchen.
- Gewindetragbolzen
mit Handgriff müssen vollständig in ein lehrenhaltiges Gewinde
eingedreht werden
und vollflächig auf der Auflagefläche
aufliegen.
- Beim Einsetzen von einem Gewindetragbolzen mit
Handgriff muss das Rotieren der Last verhindert werden.
- Stoß- und
Schlagbelastungen auch der nicht im Einsatz befindlichen
Gewindetragbolzen mit Handgriff sind zu vermeiden.
- Beschädigte Gewindetragbolzen mit Handgriff dürfen nicht weiter benutzt werden.
- Funktionsprüfung:
Verriegelung der Gewindeelemente muss durch die Federkraft
selbstständig erfolgen.
Temperatureinsatz bis max. +250 °C.
Compliance:
RoHS-konform: nein
Enthält SVHC-Stoffe >0,1% w/w – SVHC Liste [REACH] Stand 25.06.2025.
Enthält Proposition 65 Stoffe.
Frei von Konfliktmineralien.
ähnliche Artikel