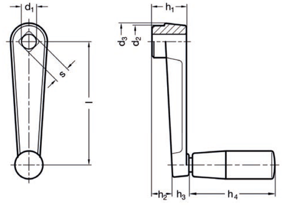
Handkurbel | SM 1227

Filter
Produktinformationen "Handkurbel | SM 1227"

aus Aluminium

Material:
Kurbelkörper: Aluminium
kunststoffbeschichtet
schwarz strukturmatt
Planseite der Nabe bearbeitet
Vierkant DIN 79 oder
Bohrung H7
Griff: Kunststoff
Polyamid (PA), schwarz matt
(drehbare Zylindergriffe SM 1223 aus Kunststoff mit Achsteil aus Stahl)

Diese Handkurbeln aus Aluminium werden z. B. zum Verstellen oder Antrieben verwendet.

RoHS-konform: ja

Bedientyp: Kurbeln
Besonderheit: Bohrung, Vierkant, mit drehbarem Griff
Compliance: RoHS-konform
Farbe: schwarz
Material: Aluminium, Gusseisen, Handgriff: Kunststoff, Körper: Aluminium, Thermoplast
Oberfläche: kunststoffbeschichtet

Zubehör

Zylindergriff, drehbar | SM 1223
Zylindergriff, drehbar | SM 1223
aus Kunststoff oder StahlAchsteil Stahl oder Edelstahl Material:KU: Griff: KunststoffPhenolharz (PF)temperaturbeständig bis 110°Cschwarz glänzendAchsteil: Stahl verzinkt, blau passiviertST: Griff: Stahlkunststoffbeschichtet, schwarz, strukturmattAchsteil: Stahl verzinkt, blau passiviertNI: Griff: KunststoffPhenolharz (PF)temperaturbeständig bis 110°Cschwarz glänzendAchsteil: Edelstahl rostfrei 1.4305Die drehbaren Zylindergriffe aus Stahl werden hauptsächlich bei Sicherheits-Handrädern eingesetzt, um eine größere Unwucht zu erzeugen. RoHS-konform: ja

Ab 5,33 €* inkl. MwSt.

Ähnliche Artikel

Handkurbel, gekröpft - DIN 468 | SM 1225
Handkurbel, gekröpft - DIN 468 | SM 1225
aus Gusseisen Material:Kurbelkörper: Gusseisen (GGG)kunststoffbeschichtetschwarz, strukturmattPlanseite der Nabe bearbeitetVierkant DIN 79 oder Bohrung H7Ballengriff: Stahl verzinkt, blau passiviert Form F: mit festem BallengriffForm D: mit drehbarem BallengriffGekröpfte Handkurbeln gemäß DIN 468 werden zur manuellen Steuerung verwendet.Sie sind ideal für den Einsatz an Maschinen oder Geräten, die keine motorisierte Antriebskraft benötigen oder bei denen eine präzise manuelle Steuerung notwendig ist, z. B. bei der Justierung von Maschinenteilen oder der Bedienung von Hebevorrichtungen.Zur zuverlässigen und sicheren Handhabung der Handkurbeln dienen die ergonomisch gestalteten Ballengriffe. Die Hand kann den Griff vollflächig umschließen, dies ermöglicht eine stabile und kraftvolle Griffhaltung und kann Ermüdung vorbeugen.Diese Artikel sind nicht mehr nachkaufbar, es gibt nur noch Restbestände:1225D250XV171225D063XB061225D125XV101225F063XV09. RoHS-konform: ja

Ab 20,28 €* inkl. MwSt.
Handkurbel, gerade - DIN 469 | SM 1226
Handkurbel, gerade - DIN 469 | SM 1226
aus Gusseisen Material:Kurbelkörper: Gusseisen (GGG)kunststoffbeschichtetschwarz strukturmattPlanseite der Nabe bearbeitetVierkant DIN 79 oder Bohrung H7Ballengriff: Stahl verzinkt, blau passiviert Form F: mit festem Ballengriff Form D: mit drehbarem BallengriffGerade Handkurbeln gemäß DIN 469 werden zur manuellen Steuerung verwendet.Sie sind ideal für den Einsatz an Maschinen oder Geräten,die keine motorisierte Antriebskraft benötigen oder bei denen eine präzise manuelle Steuerung notwendig ist,z. B. bei der Justierung von Maschinenteilen oder der Bedienung von Hebevorrichtungen.Zur zuverlässigen und sicheren Handhabung der Handkurbeln dienen die ergonomisch gestalteten Ballengriffe.Die Hand kann den Griff vollflächig umschließen,dies ermöglicht eine stabile und kraftvolle Griffhaltung und kann Ermüdung vorbeugen. RoHS-konform: ja

Ab 21,40 €* inkl. MwSt.