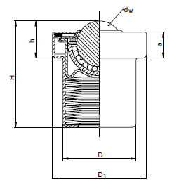
Kugelrolle | SM1275-65

Filter
Produktinformationen "Kugelrolle | SM1275-65 "

mit Filzdichtring
mit Federelement

Material:
Form A:
Deckel und Gehäuse: Stahlblech, verzinkt
Kugeln: Wälzlagerstahl 1.3505
Filzdichtring: geölt
mit Tellerfedern (TF) oder mit Schraubenfeder (SF)
Form B:
alle Teile: Stahlblech, verzinkt
Kugeln: korrosionsbeständiger Stahl 1.3541 / 1.4034
Filzdichtring: geölt
mit Tellerfedern

Temperatureinsatzbereich: - 30 °C bis + 100 °C
Bei Temperaturen über 100 °C sollten nur metallblanke Kugelrollen ohne Filzdichtung eingesetzt werden
Tragzahlminderung beachten.
Hochtemperatur-Schmierstoff verwenden! Hinweise der Hersteller beachten!
Kugelrollen sind unter Vorspannung auf Federelementen ins Gehäuse eingebaut.
Sie tauchen bei hoher Belastung ein.
Bei längerem Einsatz mit Geschwindigkeiten über 1 m/s muss, abhängig von der Belastung,
mit Temperaturerhöhung sowie Lebensdauerminderung gerechnet werden.

Besonderheit: mit Kopf / Bund
Elementtyp: Kugelrollen
Material: Kugel: Stahl, Stahl
Oberfläche: Stahl - verzinkt

ähnliche Artikel

Kugelrolle | SM 1275-63
Kugelrolle | SM 1275-63
mit Stahlgehäuseohne FilzdichtungMaterial:Form A: Deckel und Gehäuse: Stahlblech, verzinktKugeln: WälzlagerstahlForm B: alle Teile: Stahlblech, verzinktKugeln: korrosionsbeständiger Stahl 1.3541 / 1.4034Form C: alle Teile: Edelstahl rostfreiKugeln: korrosionsbeständiger Stahl 1.3541 / 1.4034 Toleranzringe siehe SM 1275.80.Temperatureinsatzbereich: - 30 °C bis + 100 °CBei längerem Einsatz mit Geschwindigkeiten über 1 m/s muss, abhängig von der Belastung, mit Temperaturerhöhung sowie Lebensdauerminderung gerechnet werden. Bei Temperaturen über 100 °C sollten nur metallblanke Kugelrollen ohne Filzdichtung eingesetzt werden.Tragzahlminderung beachten. Hochtemperatur-Schmierstoff verwenden! Hinweise der Hersteller beachten!

Ab 9,57 €* inkl. MwSt.
Kugelrolle | SM 1275-64
Kugelrolle | SM 1275-64
mit Kunststofflaufkugel ohne Filzdichtung Material:Form A: Deckel und Gehäuse:  Stahlblech, verzinktTragkugeln: WälzlagerstahlLaufkugel: KunststoffForm B: alle Teile: Stahlblech, verzinkt Tragkugeln: korrosionsbeständiger Stahl 1.3541 / 1.4034Laufkugel: KunststoffForm C: alle Teile: korrosionsbeständiger StahlTragkugeln: korrosionsbeständiger Stahl 1.3541 / 1.4034 Laufkugel: Kunststoff Ohne Filzdichtring.Temperatureinsatzbereich: bis + 30 °C,darüber Tragzahlminderung.Bei längerem Einsatz mit Geschwindigkeiten über 1 m/s muss, abhängig von der Belastung, mit Temperaturerhöhung sowie Lebensdauerminderung gerechnet werden. Für empfindliche Fördergüter wie Glas oder polierte Aluminium-, Messing- und Stahlbleche geeignet.Toleranzringe siehe SM 1275.80.

Ab 11,23 €* inkl. MwSt.
Kugelrolle | SM 1275-66
Kugelrolle | SM 1275-66
mit massivem Stahlgehäuse Material:Form A: Gehäuse. Stahl, massiv, blankDeckel: Stahlblech, metallblankKugeln: Wälzlagerstahl 1.3505Filzdichtring: geöltForm B:Gehäuse: Stahl, massiv, verzinktKugeln: Stahl metallblankForm C: Gehäuse: Stahl, massiv, verzinkt Kugeln: Stahl metallblankLaufrolle: Kunststofffür Form A:Temperatureinsatzbereich: - 30 °C bis + 100 °CBei Temperaturen über 100 °C sollten nur metallblanke Kugelrollen ohne Filzdichtung eingesetzt werden.Tragzahlminderung beachten.Hochtemperatur-Schmierstoff verwenden! Hinweise der Hersteller beachten!Bei längerem Einsatz mit Geschwindigkeiten über 1 m/s muss, abhängig von der Belastung,mit Temperaturerhöhung sowie Lebensdauerminderung gerechnet werden.Für sehr hohe Belastungen und empfindliche Fördergüter geeignet. Toleranzringe siehe SM 1275-80.

Ab 4,57 €* inkl. MwSt.
Kugelrolle | SM 1275-67
Kugelrolle | SM 1275-67
mit massivem Stahlgehäuse Material: Form A: ohne BundGehäuse: Stahl, massiv, blankDeckel: verzinktKugeln: Wälzlagerstahlohne Filzdichtring, konserviertForm B: ohne Bund, mit FilzdichtungGehäuse: Stahl, massiv, blank Deckel: metallblankKugeln: Wälzlagerstahlmit Filzdichtungfür Form A: Sehr leichter Lauf.Temperatureinsatzbereich: - 30 °C bis + 100 °C Bei Temperaturen über 100 °C sollten nur metallblanke Kugelrollen ohne Filzdichtung eingesetzt werden.Tragzahlminderung beachten.Hochtemperatur-Schmierstoff verwenden! Hinweise der Hersteller beachten.Bei längerem Einsatz mit Geschwindigkeiten über 1 m/s muss, abhängig von der Belastung,mit Temperaturerhöhung sowie Lebensdauerminderung gerechnet werden.Toleranzringe siehe SM 1275-80.

Ab 16,99 €* inkl. MwSt.
Kugelrolle | SM 1275-68
Kugelrolle | SM 1275-68
mit massivem Stahlgehäusemit Bund Material:Form A: Gehäuse: Stahl, massiv, blankKugeln: Wälzlagerstahl 1.3505Filzdichtring: geöltAlternative mit Kunststoffabstreifer.Für hohe Belastungen.Form B: Deckel und Gehäuse: Stahl, massiv, verzinktKugeln: WälzlagerstahlLaufkugel: Stahl, blankFilzdichtring: geölt, ab ØD=36Alternative mit Kunststoffabstreifer.Für hohe Belastungen.Form C: Deckel und Gehäuse: Stahlblech, verstärkt (kleine Größen)Deckel und Gehäuse: Stahl, massivalle Teile sind verzinktKugeln: Edelstahl, rostfreiFilzdichtring: geöltAlternative mit Kunststoffabstreifer.Für höhere Last und starke Stoßbelastungen.Temperatureinsatzbereich: - 30 °C bis + 100 °C.Bei Temperaturen über 100 °C sollten nur metallblanke Kugelrollen ohne Filzdichtung eingesetzt werden.Tragzahlminderung beachten.Hochtemperatur-Schmierstoff verwenden! Hinweise der Hersteller beachten.Bei längerem Einsatz mit Geschwindigkeiten über 1 m/s muss, abhängig von der Belastung,mit Temperaturerhöhung sowie Lebensdauerminderung gerechnet werden.Toleranzringe siehe SM 1275.80

Ab 418,81 €* inkl. MwSt.
Kugelrolle | SM 1275-69
Kugelrolle | SM 1275-69
ohne Gehäusemit Filzdichtring Material: Form A: Deckel und Kugelpfanne: Stahl verzinktKugeln: WälzlagerstahlFilzdichtring: geöltForm B: alle Teile: Stahl verzinktKugeln: korrosionsbeständiger Stahl 1.3541 / 1.4034Kleine BaumaßeEinfache MontageBefestigung über Bohrungen im BundTemperatureinsatzbereich: - 30 °C bis + 100 °C.Bei Temperaturen über 100 °C sollten nur metallblanke Kugelrollen ohne Filzdichtung eingesetzt werden.Tragzahlminderung beachten. Hochtemperatur-Schmierstoff verwenden! Hinweise der Hersteller beachten. Bei längerem Einsatz mit Geschwindigkeiten über 1 m/s muss, abhängig von der Belastung, mit Temperaturerhöhung sowie Lebensdauerminderung gerechnet werden.Toleranzringe siehe SM 1275.80

Ab 15,47 €* inkl. MwSt.
Kugelrolle | SM 1275-70
Kugelrolle | SM 1275-70
mit verstärktem Stahlblechgehäuse Material:Form A: Deckel und Gehäuse: Stahl verzinktKugeln: Wälzlagerstahl 1.3505Filzdichtring: geöltForm B: Deckel und Gehäuse: Stahl verstärktalle Teile verzinktKugeln: korrosionsbeständiger Stahl 1.3541 / 1.4034Filzdichtring: geöltForm C: Deckel und Gehäuse: Stahl verstärkt Kugelpfanne und Kugelanlaufscheibe: korrosionsbeständiger Stahl sonstige Teile: verzinkt Kugeln: korrosionsbeständiger Stahl 1.3541 / 1.4034 Filzdichtring: geöltMit Bodenloch für Schmutzaustrag. Toleranzringe siehe SM 1275.80. Montagedorn siehe SM 1275.81.Für starke Stoßbelastungen.Temperatureinsatzbereich: - 30 °C bis + 100 °C. Bei Temperaturen über 100 °C sollten nur metallblanke Kugelrollen ohne Filzdichtung eingesetzt werden.Tragzahlminderung beachten. Hochtemperatur-Schmierstoff verwenden! Hinweise der Hersteller beachten. Bei längerem Einsatz mit Geschwindigkeiten über 1 m/s muss, abhängig von der Belastung, mit Temperaturerhöhung sowie Lebensdauerminderung gerechnet werden.

Ab 14,30 €* inkl. MwSt.
Kugelrolle | SM 1275-71
Kugelrolle | SM 1275-71
mit Kralle als Befestigungselement Material:Form A: Deckel und Gehäuse: Stahl verzinktDeckel: verstärktKugeln: Wälzlagerstahl 1.3505Filzdichtring: geöltForm B:  Deckel und Gehäuse: StahlDeckel: verstärkt alle Teile sind verzinktKugeln: korrosionsbeständiger Stahl 1.3541 / 1.4034Filzdichtring: geöltDeckel verstärkt für starke Stoßbelastung.Fixierung erfolgt mit federnden Krallen, dadurch große Toleranzen für Einbaubohrung möglich.Einfache Montage und Demontage von der Funktionsseite her.Kugelrolle mit Bodenloch auf Anfrage.Temperatureinsatzbereich: - 30 °C bis + 100 °C.Bei Temperaturen über 100 °C sollten nur metallblanke Kugelrollen ohne Filzdichtung eingesetzt werden.Tragzahlminderung beachten.Hochtemperatur-Schmierstoff verwenden! Hinweise der Hersteller beachten.Bei längerem Einsatz mit Geschwindigkeiten über 1 m/s muss, abhängig von der Belastung, mit Temperaturerhöhung sowie Lebensdauerminderung gerechnet werden. Montagedorn siehe SM 1275.81.

Ab 19,64 €* inkl. MwSt.
Kugelrolle, gleitgelagert | SM 1275-72
Kugelrolle, gleitgelagert | SM 1275-72
zum EinpressengleitgelagertMaterial:Gehäuse und Deckel: Rostfreier StahlLager: KunststoffKugel: Edelstahl rostfrei, gehärtetAußen gerändelt.Temperatureinsatzbereich: - 50 °C bis + 90 °C.Die Tragzahl nimmt bei Temperaturen > 20°C linear ab,Beispiel: bei 90°C beträgt die Belastbarkeit max. 60%.Diese Kugelrollen sind wartungsfrei.Einbau über Einpressen mit Montagedorn.Die Rändelung an der Außenkontur ermöglicht eine Montage in Bohrungen ohne zusätzliche Vorbereitungsschritte. RoHS-konform: ja

Ab 9,87 €* inkl. MwSt.
Kugelrolle, gleitgelagert | SM 1275-73
Kugelrolle, gleitgelagert | SM 1275-73
einschraubbargleitgelagert Material:Lager: KunststoffST: Schraube: Automatenstahl, brüniertKugel: Kugellagerstahl, gehärtetNI: Schraube: Edelstahl rostfrei 1.4305Kugel: Rostfreier Stahl, gehärtetTemperatureinsatzbereich: - 50 °C bis + 90 °C .Die Tragzahl nimmt bei Temperaturen > 20°C linear ab,Beispiel: bei 90°C beträgt die Belastbarkeit max. 60%,.Zum Positionieren und Ausrichten von Werkstücken.Durch das Gleitlager kann die Kugel dauerhaft rollen und die Oberfläche des Werkstücks wird geschont. RoHS-konform: ja

Ab 10,66 €* inkl. MwSt.