Pendelauflage, Rückstellung | SM 1146-02

Filter
Produktinformationen "Pendelauflage, Rückstellung | SM 1146-02"

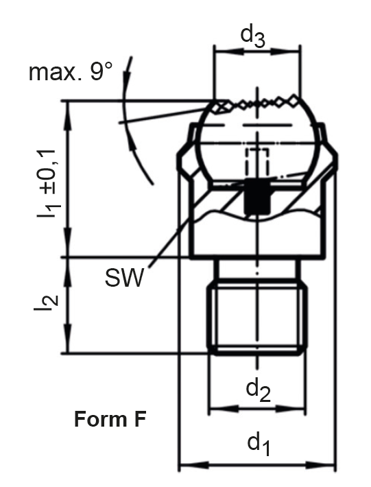
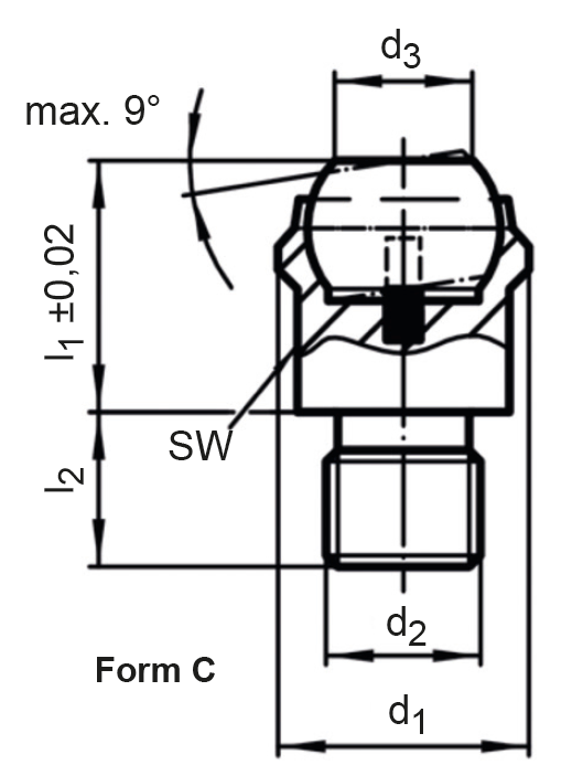
mit abgeflachter Kugel
mit Gewindestift

Material: 
Federelement: Thermoplast PUR
Form C + F
ST:
 Körper: Vergütungsstahl, vergütet
Kugel: Kugellagerstahl, gehärtet, blank
Form C
NI: Körper: 1.4057, vergütet
Kugel: 1.3541, vernickelt

Form C: Kugel abgeflacht, Auflagefläche plan
Form F: Kugel abgeflacht, Auflagefläche geriffelt

Pendelauflagen werden als Anschlag, Auflage, Druckstück verwendet und
sind für den Einbau in Spannelemente geeignet,
auch für die Lastabtragung zwischen nicht parallelen Flächen.
Durch die Rückstellung der Auflage in die Parallelposition wird verhindert,
dass beim Einlegen des Werkstücks die Kugel in einer schrägen Position verklemmt.

RoHS-konform: ja

Besonderheit: Auflagefläche geriffelt, Auflagefläche plan, Kugel abgeflacht, mit Gewindestift
Compliance: RoHS-konform
Elementtyp: Auflagebolzen, Pendelauflagen, Positionier- und Auflagestifte
Material: Edelstahl, Kugel: Edelstahl, Kugel: Stahl, Stahl

ähnliche Artikel

Auflageelement | SM 1144
Auflageelement | SM 1144
mit Kunststoff-Auflagefläche Material:Kugelelement: Edelstahl rostfrei 1.4305Mutter: Edelstahl rostfrei A2Teller: Kunststoff (PEEK), blau RoHS-konform: ja Als einschraubbares Fuß- und Druckstück verwendbar, mit Innensechskant. Die Auflage aus Kunststoff schont und schützt hochwertige Oberflächen. Außerdem ist die pendelnde Auflage für nicht parallele Flächen geeignet.Temperaturbeständig -60° bis 250°C.

Ab 23,22 €* inkl. MwSt.
Pendelauflage | SM 1145
Pendelauflage | SM 1145
mit abgeflachter Kugelmit Passung n6 Material:  Form G + JST: Körper: Vergütungsstahl, vergütet Kugel: Kugellagerstahl, gehärtet Form G NI: Körper: 1.4057, vergütet Kugel: 1.3541, vernickelt Form G: Kugel abgeflacht, Auflagefläche planForm J: Kugel abgeflacht, Auflagefläche geriffelt RoHS-konform: jaPendelauflage mit Passungstoleranz n6  aus Stahl oder Edelstahl mit beweglichen glatten oder geriffelten Auflageflächen werden als Anschläge, Auflagen oder Druckstücke verwendet zum Klemmen, Spannen und Stützen.Sie sind für den Einbau in Spannelemente geeignet, auch für die Lastabtragung zwischen nicht parallelen Flächen. Die bewegliche geriffelte Auflagefläche gibt eingespannten Bauteilen besonderen Halt.

Ab 27,19 €* inkl. MwSt.
Pendelauflage | SM 1145-1
Pendelauflage | SM 1145-1
mit selbstständiger Rückstellung Material: Federelement: Thermoplast PUR Form G + JST: Körper: Vergütungsstahl, vergütetKugel: Kugellagerstahl, gehärtet, blank Form G NI: Körper: 1.4057, vergütet Kugel: 1.3541, vernickelt Form G: Kugel abgeflacht, Auflagefläche planForm J: Kugel abgeflacht, Auflagefläche geriffelt RoHS-konform: jaPendelauflagen mit selbständiger Rückstellung mit Passungstoleranz n6 aus Stahl oder Edelstahl mit beweglichen glatten oder geriffelten Auflageflächen werden als Anschläge, Auflagen oder Druckstücke verwendet zum Klemmen, Spannen und Stützen. Sie sind für den Einbau in Spannelemente geeignet, auch für die Lastabtragung zwischen nicht parallelen Flächen. Die bewegliche geriffelte Auflagefläche gibt eingespannten Bauteilen besonderen Halt. Durch die Rückstellung der Auflage in die Parallelposition wird verhindert, dass beim Einlegen des Werkstücks die Kugel in einer schrägen Position verklemmt.

Ab 38,09 €* inkl. MwSt.
Pendelauflage | SM 1146
Pendelauflage | SM 1146
mit abgeflachter Kugelmit Gewindestift Material: Form C + FST: Körper: Vergütungsstahl, vergütetKugel: Kugellagerstahl, gehärtet Form C NI: Körper: 1.4057, vergütetKugel: 1.3541, vernickelt Form C: Kugel abgeflacht, Auflagefläche planForm F: Kugel abgeflacht, Auflagefläche geriffelt RoHS-konform: jaPendelauflagen mit Gewindestift aus Stahl oder Edelstahl mit beweglichen glatten oder geriffelten Auflageflächen werden als Anschläge, Auflagen oder Druckstücke verwendet zum Klemmen, Spannen und Stützen. Sie sind für den Einbau in Spannelemente geeignet, auch für die Lastabtragung zwischen nicht parallelen Flächen. Die bewegliche geriffelte Auflagefläche gibt eingespannten Bauteilen besonderen Halt.    

Ab 29,00 €* inkl. MwSt.
Pendelauflage HM-Einsatz | SM 1146-01
Pendelauflage HM-Einsatz | SM 1146-01
mit abgeflachter Kugelmit Gewindestift Material: ST: Körper: Vergütungsstahl, vergütet, phosphatiert NI: Körper: Edelstahl rostfrei 1.4057, vergütetKugel: Hartmetall, geriffelt, venickelt Diese Bolzen sind besonders geeignet für Gussteile (harte Gusshaut) als Auflagen, Druckstücke und für den Einbau in Spannelemente. Kugel mit Verdrehsicherung. RoHS-konform: ja

Ab 52,43 €* inkl. MwSt.
Pendelauflage, HM-Kugel | SM 1146-03
Pendelauflage, HM-Kugel | SM 1146-03
mit abgeflachter Hartmetallkugel und Gewindestiftmit selbstständiger Rückstellung Material: Federelement: Thermoplast PURKugel: Hartmetall, geriffelt, vernickeltST: Körper: Vergütungsstahl, vergütet, phosphatiertNI: Körper: Edelstahl 1.4057, vergütet  Besonders geeignet für Gussteile (harte Gusshaut) als Auflagen, Druckstücke und für den Einbau in Spannelemente, auch für die Lastabtragung zwischen nicht parallelen Flächen.Durch die Rückstellung der Auflage in die Parallelposition wird verhindert,dass beim Einlegen des Werkstücks die Kugel in einer schrägen Position verklemmt. RoHS-konform: ja

Ab 73,28 €* inkl. MwSt.
Pendelauflage | SM 1146-1
Pendelauflage | SM 1146-1
mit Bolzenverstellbar Material: Form C + FST: Körper: Vergütungsstahl, vergütet, phosphatiertKugel: Kugellagerstahl, gehärtet, blankMutter: Stahl, brüniert (ISO 4035) Form C NI: Körper: rostfreier Stahl 1.4057, vergütetKugel: rostfreier Stahl 1.3541, vernickeltMutter: rostfreier Stahl Form C: Kugel abgeflacht, Auflagefläche planForm F: Kugel abgeflacht, Auflagefläche geriffelt RoHS-konform: jaPendelauflagen mit Gewindestift aus Stahl oder Edelstahl mit beweglichen glatten oder geriffelten Auflageflächen werden als Anschläge, Auflagen oder Druckstücke verwendet zum Klemmen, Spannen und Stützen. Sie sind für den Einbau in Spannelemente geeignet, auch für die Lastabtragung zwischen nicht parallelen Flächen. Die bewegliche geriffelte Auflagefläche gibt eingespannten Bauteilen besonderen Halt.

Ab 30,01 €* inkl. MwSt.
Pendelauflage, verstellbar | SM 1146-2
Pendelauflage, verstellbar | SM 1146-2
mit Gewindestift mit selbstständiger Rückstellung Material: Federelement: Thermoplast PUR Form C + F ST: Körper: Vergütungsstahl, vergütetKugel: Kugellagerstahl, gehärtet, blankMutter: Stahl, brüniert Form CNI: Körper: Edelstahl rostfrei 1.4057, vergütetKugel: Edelstahl rostfrei 1.3541, vernickelt Mutter: Edelstahl rostfrei Form C: Kugel abgeflacht, Auflagefläche planForm F: Kugel abgeflacht, Auflagefläche geriffelt RoHS-konform: ja Pendelauflagen mit Gewindestift aus Stahl oder Edelstahl mit beweglichen glatten oder geriffelten Auflageflächen werden als Anschläge, Auflagen oder Druckstücke verwendet zum Klemmen, Spannen und Stützen. Sie sind für den Einbau in Spannelemente geeignet, auch für die Lastabtragung zwischen nicht parallelen Flächen. Durch die Rückstellung der Auflage in die Parallelposition wird verhindert, dass beim Einlegen des Werkstücks die Kugel in einer schrägen Position verklemmt.

Ab 51,80 €* inkl. MwSt.