Schneidstempel - DIN 9861 D | SM 1009

Filter
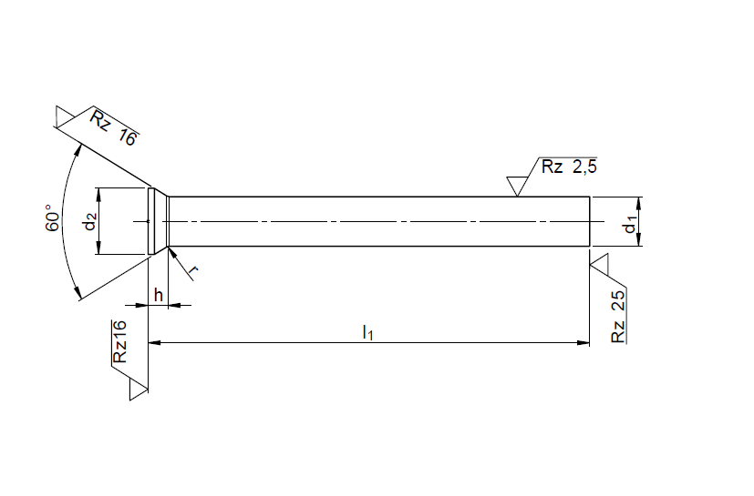
Produktinformationen "Schneidstempel - DIN 9861 D | SM 1009"

mit kegeligem Kopf
Qualitätsausführung
DIN 9861 Teil 1, Form D / ähnlich ISO 6752

Material: 
HSS: Hochleistungsschnellschnittstahl
ASP: ASP23 (Vanadis 23)

Form -: Ausführung D - Qualitätsausführung.
gehärtet, angelassen,
allseitig feinstgeschliffen,
der kegelförmige Kopf ist warm gestaucht und geglüht.
Gegenüber der Form N (Ausführung DA)
ist der Schneidstempel D feinstgeschliffen mit d1 h6 bis Kopf.

Härte:
Schaft:
 
HSS und ASP 23 (Vanadis 23) HRc 64±2,
CPM 10V HRc 62±2
Kopf: 
CPM 10V, HSS und ASP 23 (Vanadis 23) HRc 50±5

Für extreme Belastungen sind folgende Werkstoffe auf Anfrage lieferbar:

ASP (Pulver-Schnellstahl)
HSS-nitriert (teniferbehandelt)
ASP-nitriert (teniferbehandelt)
TIN-Stempel (HSS oder ASP mit Titannitrid-Beschichtung)
TK-Stempel (HSS -tic- behandelt)
Ferro-Tic (bzw. Ferro-Titanit)
Hartmetall (Vollhartmetall oder mit aufgelötetem Stahlkopf)

RoHS-konform: ja

Schneidstempel SM 1009 gemäß DIN 9861 D / ähnlich ISO 6752 mit kegeligem angestauchtem Kopf und durchgehendem Schaft
finden eine breite Anwendung in der industriellen Blechbearbeitung, vor allem werden sie zum Stanzen und Schneiden von Metallen eingesetzt.
Sie sind hoch präzise gearbeitet, langlebig, mit ihnen können auch harte Materialien effizient bearbeitet werden.
Typische Einsatzbereiche umfassen die Automobilindustrie, den Maschinenbau und die Elektrotechnik.

Form N: Normalausführung DA siehe SM 1009 DA

Besonderheit: Kopf angestaucht, Senkkopf, präzisionsgeschliffen
DIN / ISO: DIN 9861 Teil 1, D, DIN 9861 und ähnlich, ISO 6752 und ähnlich
Elementtyp: Schneidstempel
Material: ASP23, HSS, Stahl - gehärtet
Oberfläche: geschliffen

ähnliche Artikel

Schneidstempel - DIN 9861 B | SM 1007
Schneidstempel - DIN 9861 B | SM 1007
Durchmesser: 00,70 | Material: HSS | Länge: 080
ohne Kopf Material: HSS Hochleistungsschnellschnittstahl (von ∅ 0,5 bis ∅ 10,0)gehärtet, angelassenfeinstgeschliffenHärte: HRc =64 ± 2 Werkstoffe auf Anfrage lieferbar:ASP (Pulver-Schnellstahl)HSS-nitriert (teniferbehandelt)ASP-nitriert (teniferbehandelt)TIN-Stempel (HSS oder ASP mit Titannitrid-Beschichtung)TK-Stempel (HSS -tic- behandelt)Ferro-Tic (bzw. Ferro-Titanit)Hartmetall  RoHS-konform: ja Schneidstempel ohne Kopf sind spezialisierte Werkzeuge in der Blechbearbeitung, die zum Stanzen und Schneiden von Materialien verwendet werden. Die Stempel bestehen aus hochfestem Stahl, um die Belastungen der industriellen Fertigung zu bewältigen. In der Serienfertigung gewährleisten Schneidstempel ohne Kopf saubere, präzise Schnitte. Ihre Einsatzgebiete reichen von der Automobil- bis zur Elektroindustrie.

Varianten ab 5,83 €* inkl. MwSt.
8,07 €* inkl. MwSt.
Schneidstempel - DIN 9861 C | SM 1008
Schneidstempel - DIN 9861 C | SM 1008
Durchmesser 1: 1,0 | Durchmesser 3: 2,0 | Länge 1: 80,00 | Material: HSS | Form: -
mit kegeligem KopfQualitätsausführungDIN 9861 Teil 2, Form C / ähnlich ISO 9181 Material: HS: HSS Hochleistungsschnellschnittstahl Form - : Ausführung C - Qualitätsausführung.Gehärtet, angelassen und allseitig feinstgeschliffen,kegeliger Kopf warm gestaucht und geglüht.Gegenüber der Form N (Ausführung CA)feinstgeschliffen mit d3 h6 bis Kopf Härte:Schaft: HRc 64±2Kopf: HRc 50±5 In begrenztem Umfang sind auchdie Längen 60, 70 und 90 mm ab Lager lieferbar auf Anfrage:AS:    ASP 23 (Vanadis 23) RoHS-konform: ja Schneidstempel gemäß DIN 9861 C finden breite Anwendung in der industriellen Blechbearbeitung, dort werden sie vor allem zum Stanzen und Schneiden von Metallen eingesetzt. Sie sind hoch präzise gearbeitet, langlebig, mit ihnen können auch harte Materialien effizient bearbeitet werden.Typische Einsatzbereiche umfassen die Automobilindustrie, den Maschinenbau und die Elektrotechnik. Form N: Ausführung CA - Normalausführung sie SM 1008 CA.

Varianten ab 13,80 €* inkl. MwSt.
15,87 €* inkl. MwSt.
Schneidstempel - DIN 9861 CA | SM 1008
Schneidstempel - DIN 9861 CA | SM 1008
Durchmesser 1: 1,1 | Durchmesser 3: 1,5 | Länge 1: 71,00 | Material: HSS | Form: N
mit kegeligem KopfNormalausführungDIN 9861 Teil 2, Form CA / ähnlich ISO 9181 Material: HSN: HSS Hochleistungsschnittstahl Form N: Ausführung CA - Normalausführungmit angestauchtem kegelförmigen Kopf, gehärtet, angelassen, Schaft feinstgeschliffen,Kopf warm angestaucht und geglüht.Mit zulässiger Verdickung unter dem Kopf (d4) nach DIN 9861 Teil 2. Härte:Schaft: HRc 64±2 Kopf: HRc 50±5 In begrenztem Umfang sind auch die Längen 60, 70 und 90 mm ab Lager lieferbar. RoHS-konform: jaSchneidstempel gemäß DIN 9861 CA finden breite Anwendung in der industriellen Blechbearbeitung, dort werden sie vor allem zum Stanzen und Schneiden von Metallen eingesetzt. Sie sind hoch präzise gearbeitet, langlebig, mit ihnen können auch harte Materialien effizient bearbeitet werden. Typische Einsatzbereiche umfassen die Automobilindustrie, den Maschinenbau und die Elektrotechnik. Form - : Ausführung C - Qualitätsausführung siehe SM 1008 C.

Preis auf Anfrage
Schneidstempel - DIN 9861 DA | SM 1009
Schneidstempel - DIN 9861 DA | SM 1009
Durchmesser 1: 00,80 | Länge 1: 071 | Material: HSS | Form: DA
mit kegeligem KopfNormalausführungDIN 9861 Teil 1, Form DA Material: HSS: Hochleistungsschnellschnittstahl Form N: Normalausführung DA mit angestauchtem kegelförmigen Kopf,gehärtet, angelassen,  Schaft feinstgeschliffen mit d1 h6, Kopf warm gestaucht und geglüht. Gegenüber der Form „-„ (Qualitätsausführung D)und nach DIN 9861 DA mit zulässiger Verdickung unter dem Kopf (d3 in Skizze und Tabelle). Härte:Schaft: HSS, gehärtet HRc 64±2Kopf: HSS, gehärtet HRc 50±5 Für extreme Belastungen sind folgende Werkstoffe auf Anfrage lieferbar: ASP (Pulver-Schnellstahl)HSS-nitriert (teniferbehandelt)ASP-nitriert (teniferbehandelt)TIN-Stempel (HSS oder ASP mit Titannitrid-Beschichtung)TK-Stempel (HSS -tic- behandelt)Ferro-Tic (bzw. Ferro-Titanit)Hartmetall (Vollhartmetall oder mit aufgelötetem Stahlkopf) RoHS-konform: jaSchneidstempel SM 1009 gemäß DIN 9861 DA / ähnlich ISO 6752 mit kegeligem angestauchten Kopf und durchgehendem Schaft finden eine breite Anwendung in der industriellen Blechbearbeitung, vor allem werden sie zum Stanzen und Schneiden von Metallen eingesetzt. Sie sind hoch präzise gearbeitet, langlebig, mit ihnen können auch harte Materialien effizient bearbeitet werden. Typische Einsatzbereiche umfassen die Automobilindustrie, den Maschinenbau und die Elektrotechnik.Form - : Ausführung D - Qualitätsausführung siehe SM 1009 D.

Preis auf Anfrage
Schneidstempel - DIN 8020 B | SM 1018
Schneidstempel - DIN 8020 B | SM 1018
Durchmesser 1: 01,9 | Durchmesser 3: 06,00 | Länge 1: 100 | Material: HSS
mit zylindrischem KopfDIN ISO 8020, Form B Material: HS: HSS Hochleistungsschnellschnittstahl gehärtet, angelassen, Schaft feinstgeschliffen, der Kopf ist warm angestaucht und geglüht.Härte:Schaft: HRc 62±2Kopf: HRc 52±5 RoHS-konform: jaSchneidstempel mit Zylinderkopf SM 1018 nach DIN 8020 B sind Präzisionswerkzeuge, die in der Blechbearbeitung zum Stanzen und Schneiden von Materialien eingesetzt werden. Sie zeichnen sich durch hohe Genauigkeit und Langlebigkeit aus, was die Austauschbarkeit und Zuverlässigkeit in industriellen Anwendungen sicherstellt.

Preis auf Anfrage
Schneidstempel - DIN ISO 8020 A | SM 1019
Schneidstempel - DIN ISO 8020 A | SM 1019
Durchmesser 1: 08,00 | Länge 1: 063 | Material: HSS
mit zylindrischem KopfDIN ISO 8020, Form A Material: HSS Hochleistungsschnittstahlgehärtet und geschliffenSchaft ist feinst geschliffen, Kopf ist warm angestaucht und geglühtHärte:Schaft: HRc 62±2Kopf: HRc 52±5 RoHS-konform: jaSchneidstempel mit Zylinderkopf SM 1019 nach DIN 8020 A sind Präzisionswerkzeuge, die in der Blechbearbeitung zum Stanzen und Schneiden von Materialien eingesetzt werden. Sie zeichnen sich durch hohe Genauigkeit und Langlebigkeit aus, was Austauschbarkeit und Zuverlässigkeit in industriellen Anwendungen sicherstellt.

Varianten ab 13,41 €* inkl. MwSt.
19,74 €* inkl. MwSt.
Schneidstempel - DIN ISO 8020 A | SM 1019-1
Schneidstempel - DIN ISO 8020 A | SM 1019-1
Durchmesser 1: 07,00 | Länge 1: 071 | Material: Hartmetall
aus Hartmetallmit zylindrischem KopfDIN ISO 8020, Form A Material: HM: Vollhartmetall Je nach Verfügbarkeit erfolgt die Lieferung mit Köpfen, die aus dem Vollen geschliffen oder angelötet sind. Härte: k.A. RoHS-konform: jaSchneidstempel aus Hartmetall SM 1019-1 nach DIN 8020 A sind Präzisionswerkzeuge, die in der Blechbearbeitung zum Stanzen und Schneiden von Materialien eingesetzt werden. Sie zeichnen sich durch hohe Genauigkeit und Langlebigkeit aus, was Austauschbarkeit und Zuverlässigkeit in industriellen Anwendungen sicherstellt.

Varianten ab 60,74 €* inkl. MwSt.
147,88 €* inkl. MwSt.