Knurled nut | SM 1262








from €0.98*
€0.98*
Delivery time: 1-3 days working days
Diameter 1 | Material | Product number | Unit price | Buy |
---|
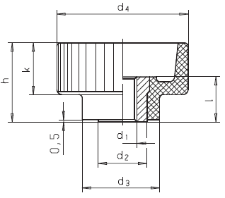
from plastic
Material:
handle: plastic
Technoplymer (Polyamide PA)
black, shiny finish
threaded bushing:
ST: steel, zinc plated, blue passivated
NI: stainless steel 1.4305 / AISI 303
With threaded through hole.
The knurling of the nuts ensures a good grip and ease of handling.
These knurled knobs enable quick and easy manual fastening or removal of components.
They are mainly used where repeated handling and quick loosening
or tightening is required without the need for tools.
RoHS-compliant: yes
Colour: | black |
---|---|
Compliance: | RoHS compliant |
Material: | Bushing/Screw: Stainless Steel, Bushing/Screw: Steel, Knob / Handle: Plastic, Plastic, Thermoplastic |
Speciality: | With knurling, With threaded stud, With through hole thread |
Surface: | Plastic - glossy, Stainless steel - bright, Steel - zinc plated |
Type of use: | Grips, Knurled screws / knobs, Nuts |
Ähnliche Artikel