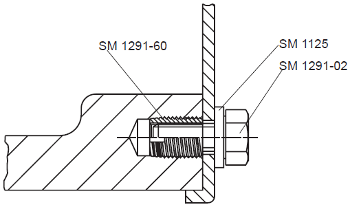
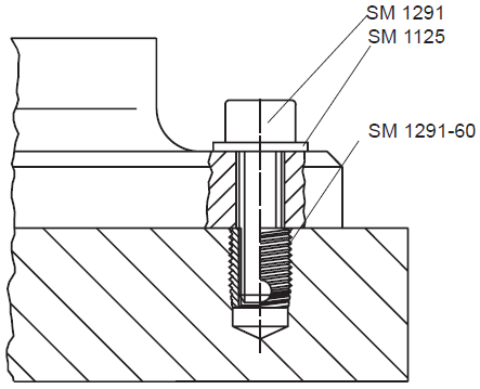
Gewindeeinsatz | SM 1291-60

Filter
Produktinformationen "Gewindeeinsatz | SM 1291-60"

selbstschneidend
mit drei Bohrungen

Material: 
SGV: Stahl gehärtet, gelb verzinkt
(SM 1291-60M04X08SGV Restbestände)

Innengewinde d1, nach ISO 6H,
Außengewinde d2, metrisch,
Toleranzen nach Werknorm

Geeignet zum Einbau in:
- Aluminium und Aluminium-Legierungen
- Magnesium-Legierungen
- Duroplast, Thermoplast (ausgenommen gummiweiche Thermoplaste 100 Shore A)

Gewindeeinsätze mit Innen- und Außengewinde
- selbstschneidende Verbindungselemente zur Herstellung hochbelastbarer, verschleißfester, vibrationssicherer Schraubverbindungen in Werkstoffen mit geringer Scherfestigkeit
- 3 Schneidbohrungen unterstützen das Einschrauben in härtere Materialien
- im montierten Zustand mit durchgängig nutzbarem Innengewinde.

Weitere Hinweise finden Sie auf dem Datenblatt SM 1291-50, Katalogseite 308.

Besonderheit: mit Schneidbohrungen, selbstschneidend
Elementtyp: Gewindeeinsätze
Material: Stahl
Oberfläche: Stahl - gelb verzinkt

Ähnliche Artikel

Gewindeeinsatz mit Schlitz | SM 1291-50
Gewindeeinsatz mit Schlitz | SM 1291-50
selbstschneidendmit SchlitzMaterial: SGV: Stahl gehärtet, gelb verzinkt (SM 1291-50M06X08SGV undSM 1291-50M14X24SGVevtl. Restbestände)NI: Edelstahl rostfrei 1.4305Innengewinde d1, nach ISO 6HAußengewinde d2, metrisch, Toleranzen nach WerknormGewindeeinsätze mit Innen- und Außengewinde- sind selbstschneidende Verbindungselemente zur Herstellung hochbelastbarer, verschleißfester, vibrationssicherer Schraubverbindungen in Werkstoffen mit geringer Scherfestigkeit, - werden nachträglich in ein vorgeformtes oder vorgebohrtes Aufnahmeloch eingedreht. Die Auszugsfestigkeit ist sehr hoch.Die Mindest-Materialdicke bei Durchgangslöchern muss der Länge l entsprechen.Zähe, harte und spröde Werkstoffe erfordern ein größeres Bohrloch.- Die Montage der Buchse wird manuell oder maschinell vorgenommen. Für Versuche kann auch eine Schraube (SM 1235) mit Kontermutter (SM 1120) benutzt werden.- Das scharfe Außengewinde schneidet sich selbst in die Wandung des Bohrloches ein, das durch Versuche zu ermitteln ist.- Alle Gewindeeinsätze können beliebig oft gelöst werden.- im montierten Zustand mit durchgängig nutzbarem Innengewinde. Geeignet zum Einbau in: - Aluminium und Aluminium-Legierungen- Magnesium-Legierungen- Duroplast, Thermoplast (ausgenommen gummiweiche Thermoplaste 100 Shore A)Hand-Montage mit Eindrehhilfswerkzeug- Werkstück vorbohren und ansenken.- Durchmesser der Bohrung nach Tabelle und durch Versuche ermitteln. Je nach Werkstoff vor dem Gewindeschneiden schmieren.- Gewindeeinsatz auf Werkzeug-Gewindezapfen schrauben - schneidenbildende Querbohrungen bzw. Schlitz nach unten,mit Sechskantmutter kontern und in Bohrung eindrehen.- Dann die Kontermutter in Richtung Griff lösen, Werkzeug nun ausdrehen und der Einsatz verbleibt im Werkstück.

Ab 0,36 €* inkl. MwSt.
Gewindeeinsatz | SM 1291-62
Gewindeeinsatz | SM 1291-62
selbstschneidendmit drei Bohrungen, 1.4305 Material: NI: stainless steel 1.4305Innengewinde d1, nach ISO 6HAußengewinde d2, metrisch,Toleranzen nach Werknorm.Weitere Hinweise finden Sie auf dem Datenblatt SM 1291-50, Katalogseite 308. Vorbohrempfehlungen (Richtwerte)* Aufnahmeloch, abhängig vom Verarbeitungswerkstoff** Mindestlochtiefe (Sacklöcher): Muffenlänge zuzüglich 1 bis 3 mm. Gewindeeinsätze mit Innen- und Außengewinde- selbstschneidende Verbindungselemente zur Herstellung hochbelastbarer, verschleißfester, vibrationssicherer Schraubverbindungen in Werkstoffen mit geringer Scherfestigkeit,- mit 3 Schneidbohrungen, die das Einschrauben in härtere Materialien unterstützen,- geeignet zum Einbau in Aluminium und Aluminium-Legierungen, Magnesium-Legierunen, Duroplast, Thermoplast (ausgenommen gummiweiche Thermoplaste 100 Shore A).

Ab 2,02 €* inkl. MwSt.
Gewindeeinsatz | SM 1291-63
Gewindeeinsatz | SM 1291-63
selbstschneidendmit drei Bohrungen, 1.4571 Material: NI: Edelstahl rostfrei 1.4571 Innengewinde d1, nach ISO 6H Außengewinde d2, metrisch, Toleranzen nach Werknorm. Weitere Hinweise finden Sie auf dem Datenblatt SM 1291-50, Katalogseite 308. Vorbohrempfehlungen (Richtwerte)* Aufnahmeloch, abhängig vom Verarbeitungswerkstoff** Mindestlochtiefe (Sacklöcher): Muffenlänge zuzüglich 1 bis 3 mm. Gewindeeinsätze mit Innen- und Außengewinde- selbstschneidende Verbindungselemente zur Herstellung hochbelastbarer, verschleißfester, vibrationssicherer Schraubverbindungen in Werkstoffen mit geringer Scherfestigkeit,- mit 3 Schneidbohrungen, die das Einschrauben in härtere Materialien unterstützen,- geeignet zum Einbau in Aluminium und Aluminium-Legierungen, Magnesium-Legierunen, Duroplast, Thermoplast (ausgenommen gummiweiche Thermoplaste 100 Shore A).

Ab 3,22 €* inkl. MwSt.
Gewindeeinsatz | SM 1291-70
Gewindeeinsatz | SM 1291-70
selbstschneidendmit Schlitz und Innensechskantfür extrem harte Materialien Material:SBV: Stahl gehärtet, blau verzinkt NI: Edelstahl rostfrei 1.4305 Vorbohrempfehlungen (Richtwerte)* Aufnahmeloch, abhängig vom Verarbeitungswerkstoff** Mindestlochtiefe (Sacklöcher): Muffenlänge zuzüglich 1 bis 3 mm. Gewindeeinsätze mit Außengewinde und Innensechskant- selbstschneidende Verbindungselemente zur Herstellung hochbelastbarer, verschleißfester, vibrationssicherer Schraubverbindungen- sehr hohe Anzugsfestigkeit durch Innensechskant- geeignet für besonders harte Materialien und Kunststoff.Weitere Hinweise finden Sie auf dem Datenblatt SM 1291-50, Katalogseite 308.

Ab 1,68 €* inkl. MwSt.
Gewindeeinsatz | SM 1291-71
Gewindeeinsatz | SM 1291-71
selbstschneidendmit drei Schneidsacklöchernfür besonders harte Materialien Material:SBV: Stahl gehärtet, blau verzinktNI: Edelstahl rostfrei 1.4305 Vorbohrempfehlungen (Richtwerte)* Aufnahmeloch, abhängig vom Verarbeitungswerkstoff** Mindestlochtiefe (Sacklöcher): Muffenlänge zuzüglich 1 bis 3 mm. Gewindeeinsätze mit Innen- und Außengewinde- selbstschneidende Verbindungselemente zur Herstellung hochbelastbarer, verschleißfester, vibrationssicherer Schraubverbindungen in Werkstoffen mit geringer Scherfestigkeit- sehr hohe Anzugsfestigkeit bei spänefreier Montage- mit 3 Schneidbohrungen, die das Einschrauben in härtere Materialien unterstützen- geeignet für besonders harte Materialien wie Metall, Steinmehlprodukte, KunststoffWeitere Hinweise finden Sie auf dem Datenblatt SM 1291-50, Katalogseite 308.

Ab 0,98 €* inkl. MwSt.
Gewindeeinsatz - ähnl. DIN 7965 | SM 1291-80
Gewindeeinsatz - ähnl. DIN 7965 | SM 1291-80
selbstschneidendmit Grobgewinde Material:SV: Stahl, verzinkt MS: Messing Gewindeeinsätze mit Innen- und Außengewinde und Schlitz- selbstschneidende Verbindungselemente zur Herstellung von Schraubverbindungen in Werkstoffen mit geringer Scherfestigkeit,- mit Schlitz und Ausnehmung zur Aufnahme anfallender Späne- geeignet für Holz und Kunststoff- geeignet zum automatischen Einschrauben. Vorbohrempfehlungen (Richtwerte)* Aufnahmeloch (abhängig vom Verarbeitungswerkstoff)** Mindestlochtiefe (Sacklöcher): Muffenlänge zuzüglich 1 bis 3 mm.Weitere Hinweise finden Sie auf dem Datenblatt SM 1291-50, Katalogseite 308.

Ab 0,21 €* inkl. MwSt.
Gewindeeinsatz, Grobgewinde | SM 1291-81
Gewindeeinsatz, Grobgewinde | SM 1291-81
ähnl. DIN 7965selbstschneidendmit Grobgewinde Material:SV: Stahl, verzinktMS: MessingN1: Edelstahl rostfrei 1.4104N2: Edelstahl rostfrei 1.4305Restbestände von SM 1291-81M08X13X18SV, SM 1291-81M08X13X25SV, SM 1291-81M08X16X14SV, SM 1291-81M08X16X16SV.Suchmaße M04X06... sind Nennmaße. Echtmaß ist M04X6,5..., Suchmaße M10X19... sind Nennmaße. Echtmaß ist M10X18,5...,siehe Datenblatt. Gewindeeinsätze mit Innen- und Außengewinde und Schlitz- selbstschneidende Verbindungselemente zur Herstellung von Schraubverbindungen- geeignet für Holz und Kunststoff, geeignet zum automatischen Einschrauben Vorbohrempfehlungen (Richtwerte)* Aufnahmeloch, abhängig vom Verarbeitungswerkstoff** Mindestlochtiefe (Sacklöcher): Muffenlänge zuzüglich 1 bis 3 mm.Weitere Hinweise finden Sie auf dem Datenblatt SM 1291-50, Katalogseite 308.

Ab 0,20 €* inkl. MwSt.
Gewindeeinsatz, Grobgewinde | SM 1291-82
Gewindeeinsatz, Grobgewinde | SM 1291-82
selbstschneidendmit Innensechskant Material:SV: Stahl, verzinktMS: MessingN2: Edelstahl rostfrei 1.4305N3: Edelstahl rostfrei 1.4571 Gewindeeinsätze mit Außengewinde und Innensechskant- selbstschneidende Verbindungselemente zur Herstellung von Schraubverbindungen in Werkstoffen mit geringer Scherfestigkeit- geeignet für Holz und Kunststoff, z. B. für die unsichtbare Verbindung von Möbelteilen; Edelstahl rostfrei 1.4305 im Bootsbau- vereinfachtes Einschrauben durch Führungsansatz per Hand. Vorbohrempfehlungen (Richtwerte)* Aufnahmeloch (abhängig vom Verarbeitungswerkstoff)** Mindestlochtiefe (Sacklöcher): Muffenlänge zuzüglich 1 bis 3 mm.Weitere Hinweise finden Sie auf dem Datenblatt SM 1291-50, Katalogseite 308.

Ab 0,29 €* inkl. MwSt.
Gewindeeinsatz, Grobgewinde | SM 1291-83
Gewindeeinsatz, Grobgewinde | SM 1291-83
selbstschneidendmit Innensechskant Material:SV: Stahl, verzinkt (zum Teil Restbestände)MS: MessingNI: Edelstahl 1.4305, rostfreiNur Restbestände vonSM 1291-83M04X08X08SV, SM 1291-83M06X12X12SV, SM 1291-83M06X12X15SV, SM 1291-83M08X14X15SV,SM 1291-83M08X14X18SV, SM 1291-83M08X16X23ST, SM 1291-83M08X16X23SV, SM 1291-83M10X19X25SV.Und1291-83M05X10X12NI,  Gewindeeinsätze mit Außengewinde, Innensechskant und Bund: - selbstschneidende Verbindungselemente zur Herstellung von Schraubverbindungen in Werkstoffen mit geringer Scherfestigkeit,- geeignet für Holz und Kunststoff, z. B. für die unsichtbare Verbindung von Möbelteilen,- vereinfachtes Einschrauben durch Führungsansatz, auch per Hand. Vorbohrempfehlungen (Richtwerte)* Aufnahmeloch (abhängig vom Verarbeitungswerkstoff)** Mindestlochtiefe (Sacklöcher): Muffenlänge zuzüglich 1 bis 3 mm.Weitere Hinweise finden Sie auf dem Datenblatt SM 1291-50, Katalogseite 308.  

Ab 0,88 €* inkl. MwSt.

Zubehör

Eindrehwerkzeug | SM 1291-90
Eindrehwerkzeug | SM 1291-90
für Gewindeeinsätze Material: Stahl, brüniert für SM 1291-50 und SM1291-60Typ E: mit Sechskantschaft und drehbarer Sechskanthülse für SM 1291-70 und SM1291-80Typ B: mit hochbelastbarer Lagerausführung zum Eindrehen von Gewindeeinsätzen über das Innengewinde.- mit drei Spannflächen (M03, M04, M05, M06, M08)- mit Sechskant und Nut (M10 und größer) Werkzeuggröße entsprechend dem Innengewinde der Buchse.Ausschließlich für die hier angegebenen Gewindeeinsätze verwenden. Montage mit Maschinen-Eindrehwerkzeugen• Vorarbeiten entsprechend Handmontage.• Eindrehwerkzeug fluchtend zur Bohrung ausrichten - Gewindeeinsatz aufschrauben.• Mit Vorschub wenige Gewindegänge vorsichtig einschrauben.• Einschraubvorgang ohne Vorschub fortsetzen bis Position der Planfläche des Gewindeeinsatzes kurz unterhalb der Werkstückoberfläche erreicht ist.• Rücklauf einschalten.• Planfläche des Werkzeug-Einschraubzapfens trennt sich vom Gewindeeinsatz, der in der gewünschten Position im Werkstück verbleibt.

Ab 104,52 €* inkl. MwSt.