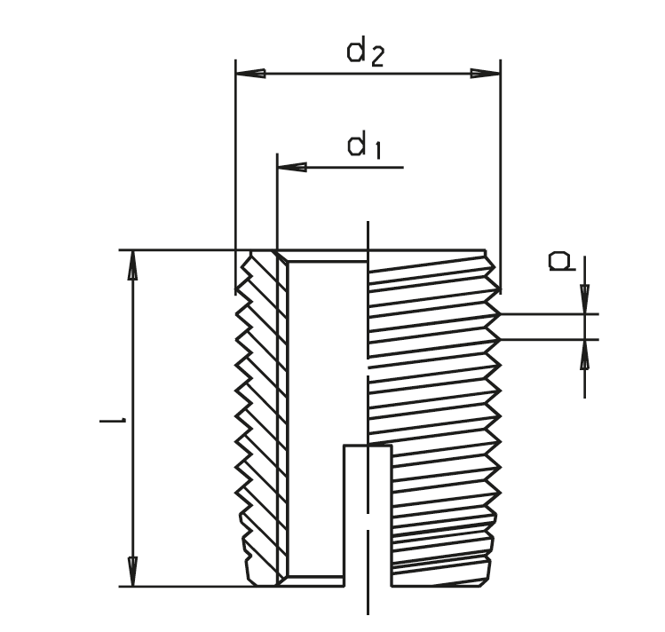
Gewindeeinsatz mit Schlitz | SM 1291-50

Filter
Produktinformationen "Gewindeeinsatz mit Schlitz | SM 1291-50"

selbstschneidend
mit Schlitz

Material:
SGV: Stahl gehärtet, gelb verzinkt
(SM 1291-50M06X08SGV und
SM 1291-50M14X24SGV
evtl. Restbestände)
NI: Edelstahl rostfrei 1.4305

Innengewinde d1, nach ISO 6H
Außengewinde d2, metrisch,
Toleranzen nach Werknorm

Gewindeeinsätze mit Innen- und Außengewinde
- sind selbstschneidende Verbindungselemente zur Herstellung hochbelastbarer, verschleißfester, vibrationssicherer Schraubverbindungen in Werkstoffen mit geringer Scherfestigkeit, 
- werden nachträglich in ein vorgeformtes oder vorgebohrtes Aufnahmeloch eingedreht.
Die Auszugsfestigkeit ist sehr hoch.
Die Mindest-Materialdicke bei Durchgangslöchern muss der Länge l entsprechen.
Zähe, harte und spröde Werkstoffe erfordern ein größeres Bohrloch.
- Die Montage der Buchse wird manuell oder maschinell vorgenommen.
Für Versuche kann auch eine Schraube (SM 1235) mit Kontermutter (SM 1120) benutzt werden.
- Das scharfe Außengewinde schneidet sich selbst in die Wandung des Bohrloches ein, das durch Versuche zu ermitteln ist.
- Alle Gewindeeinsätze können beliebig oft gelöst werden.
- im montierten Zustand mit durchgängig nutzbarem Innengewinde.

Geeignet zum Einbau in:
- Aluminium und Aluminium-Legierungen
- Magnesium-Legierungen
- Duroplast, Thermoplast (ausgenommen gummiweiche Thermoplaste 100 Shore A)

Hand-Montage mit Eindrehhilfswerkzeug
- Werkstück vorbohren und ansenken.
- Durchmesser der Bohrung nach Tabelle und durch Versuche ermitteln.
Je nach Werkstoff vor dem Gewindeschneiden schmieren.
- Gewindeeinsatz auf Werkzeug-Gewindezapfen schrauben
- schneidenbildende Querbohrungen bzw. Schlitz nach unten,
mit Sechskantmutter kontern und in Bohrung eindrehen.
- Dann die Kontermutter in Richtung Griff lösen, Werkzeug nun ausdrehen und der Einsatz verbleibt im Werkstück.


Besonderheit: mit Schlitz, selbstschneidend
Elementtyp: Gewindeeinsätze
Material: Edelstahl, Stahl
Oberfläche: Stahl - gelb verzinkt

Zubehör

Eindrehwerkzeug | SM 1291-90
Eindrehwerkzeug | SM 1291-90
für Gewindeeinsätze Material: Stahl, brüniert für SM 1291-50 und SM1291-60Typ E: mit Sechskantschaft und drehbarer Sechskanthülse für SM 1291-70 und SM1291-80Typ B: mit hochbelastbarer Lagerausführung zum Eindrehen von Gewindeeinsätzen über das Innengewinde.- mit drei Spannflächen (M03, M04, M05, M06, M08)- mit Sechskant und Nut (M10 und größer) Werkzeuggröße entsprechend dem Innengewinde der Buchse.Ausschließlich für die hier angegebenen Gewindeeinsätze verwenden. Montage mit Maschinen-Eindrehwerkzeugen• Vorarbeiten entsprechend Handmontage.• Eindrehwerkzeug fluchtend zur Bohrung ausrichten - Gewindeeinsatz aufschrauben.• Mit Vorschub wenige Gewindegänge vorsichtig einschrauben.• Einschraubvorgang ohne Vorschub fortsetzen bis Position der Planfläche des Gewindeeinsatzes kurz unterhalb der Werkstückoberfläche erreicht ist.• Rücklauf einschalten.• Planfläche des Werkzeug-Einschraubzapfens trennt sich vom Gewindeeinsatz, der in der gewünschten Position im Werkstück verbleibt.

Ab 104,52 €* inkl. MwSt.
Knebelschraube - DIN 6304 | SM 1235
Knebelschraube - DIN 6304 | SM 1235
mit festem Knebelmit und ohne Druckstück Material:Stahl, Festigkeitsklasse 5.8, brüniertDruckzapfen gehärtetKnebel eingepresst -:          ohne DruckstückTyp D: komplett mit Druckstück DIN 6311 Der Druckzapfen der Knebelschrauben SM 1235 kann direkt oder in Verbindung mit Druckstück zum Spannen verwendet werden. Der Sprengring ermöglicht eine einfache und schnelle Verbindung zwischen Schraube und Druckstück. RoHS-konform: ja

Ab 9,14 €* inkl. MwSt.

Ähnliche Artikel

Gewindeeinsatz | SM 1291-71
Gewindeeinsatz | SM 1291-71
selbstschneidendmit drei Schneidsacklöchernfür besonders harte Materialien Material:SBV: Stahl gehärtet, blau verzinktNI: Edelstahl rostfrei 1.4305 Vorbohrempfehlungen (Richtwerte)* Aufnahmeloch, abhängig vom Verarbeitungswerkstoff** Mindestlochtiefe (Sacklöcher): Muffenlänge zuzüglich 1 bis 3 mm. Gewindeeinsätze mit Innen- und Außengewinde- selbstschneidende Verbindungselemente zur Herstellung hochbelastbarer, verschleißfester, vibrationssicherer Schraubverbindungen in Werkstoffen mit geringer Scherfestigkeit- sehr hohe Anzugsfestigkeit bei spänefreier Montage- mit 3 Schneidbohrungen, die das Einschrauben in härtere Materialien unterstützen- geeignet für besonders harte Materialien wie Metall, Steinmehlprodukte, KunststoffWeitere Hinweise finden Sie auf dem Datenblatt SM 1291-50, Katalogseite 308.

Ab 0,98 €* inkl. MwSt.
Gewindeeinsatz, Grobgewinde | SM 1291-81
Gewindeeinsatz, Grobgewinde | SM 1291-81
ähnl. DIN 7965selbstschneidendmit Grobgewinde Material:SV: Stahl, verzinktMS: MessingN1: Edelstahl rostfrei 1.4104N2: Edelstahl rostfrei 1.4305Restbestände von SM 1291-81M08X13X18SV, SM 1291-81M08X13X25SV, SM 1291-81M08X16X14SV, SM 1291-81M08X16X16SV.Suchmaße M04X06... sind Nennmaße. Echtmaß ist M04X6,5..., Suchmaße M10X19... sind Nennmaße. Echtmaß ist M10X18,5...,siehe Datenblatt. Gewindeeinsätze mit Innen- und Außengewinde und Schlitz- selbstschneidende Verbindungselemente zur Herstellung von Schraubverbindungen- geeignet für Holz und Kunststoff, geeignet zum automatischen Einschrauben Vorbohrempfehlungen (Richtwerte)* Aufnahmeloch, abhängig vom Verarbeitungswerkstoff** Mindestlochtiefe (Sacklöcher): Muffenlänge zuzüglich 1 bis 3 mm.Weitere Hinweise finden Sie auf dem Datenblatt SM 1291-50, Katalogseite 308.

Ab 0,20 €* inkl. MwSt.
Gewindeeinsatz, Grobgewinde | SM 1291-83
Gewindeeinsatz, Grobgewinde | SM 1291-83
selbstschneidendmit Innensechskant Material:SV: Stahl, verzinkt (zum Teil Restbestände)MS: MessingNI: Edelstahl 1.4305, rostfreiNur Restbestände vonSM 1291-83M04X08X08SV, SM 1291-83M06X12X12SV, SM 1291-83M06X12X15SV, SM 1291-83M08X14X15SV,SM 1291-83M08X14X18SV, SM 1291-83M08X16X23ST, SM 1291-83M08X16X23SV, SM 1291-83M10X19X25SV.Und1291-83M05X10X12NI,  Gewindeeinsätze mit Außengewinde, Innensechskant und Bund: - selbstschneidende Verbindungselemente zur Herstellung von Schraubverbindungen in Werkstoffen mit geringer Scherfestigkeit,- geeignet für Holz und Kunststoff, z. B. für die unsichtbare Verbindung von Möbelteilen,- vereinfachtes Einschrauben durch Führungsansatz, auch per Hand. Vorbohrempfehlungen (Richtwerte)* Aufnahmeloch (abhängig vom Verarbeitungswerkstoff)** Mindestlochtiefe (Sacklöcher): Muffenlänge zuzüglich 1 bis 3 mm.Weitere Hinweise finden Sie auf dem Datenblatt SM 1291-50, Katalogseite 308.  

Ab 0,88 €* inkl. MwSt.
Gewindeeinsatz | SM 1291-62
Gewindeeinsatz | SM 1291-62
selbstschneidendmit drei Bohrungen, 1.4305 Material: NI: stainless steel 1.4305Innengewinde d1, nach ISO 6HAußengewinde d2, metrisch,Toleranzen nach Werknorm.Weitere Hinweise finden Sie auf dem Datenblatt SM 1291-50, Katalogseite 308. Vorbohrempfehlungen (Richtwerte)* Aufnahmeloch, abhängig vom Verarbeitungswerkstoff** Mindestlochtiefe (Sacklöcher): Muffenlänge zuzüglich 1 bis 3 mm. Gewindeeinsätze mit Innen- und Außengewinde- selbstschneidende Verbindungselemente zur Herstellung hochbelastbarer, verschleißfester, vibrationssicherer Schraubverbindungen in Werkstoffen mit geringer Scherfestigkeit,- mit 3 Schneidbohrungen, die das Einschrauben in härtere Materialien unterstützen,- geeignet zum Einbau in Aluminium und Aluminium-Legierungen, Magnesium-Legierunen, Duroplast, Thermoplast (ausgenommen gummiweiche Thermoplaste 100 Shore A).

Ab 2,02 €* inkl. MwSt.
Gewindeeinsatz | SM 1291-70
Gewindeeinsatz | SM 1291-70
selbstschneidendmit Schlitz und Innensechskantfür extrem harte Materialien Material:SBV: Stahl gehärtet, blau verzinkt NI: Edelstahl rostfrei 1.4305 Vorbohrempfehlungen (Richtwerte)* Aufnahmeloch, abhängig vom Verarbeitungswerkstoff** Mindestlochtiefe (Sacklöcher): Muffenlänge zuzüglich 1 bis 3 mm. Gewindeeinsätze mit Außengewinde und Innensechskant- selbstschneidende Verbindungselemente zur Herstellung hochbelastbarer, verschleißfester, vibrationssicherer Schraubverbindungen- sehr hohe Anzugsfestigkeit durch Innensechskant- geeignet für besonders harte Materialien und Kunststoff.Weitere Hinweise finden Sie auf dem Datenblatt SM 1291-50, Katalogseite 308.

Ab 1,68 €* inkl. MwSt.
Gewindeeinsatz - ähnl. DIN 7965 | SM 1291-80
Gewindeeinsatz - ähnl. DIN 7965 | SM 1291-80
selbstschneidendmit Grobgewinde Material:SV: Stahl, verzinkt MS: Messing Gewindeeinsätze mit Innen- und Außengewinde und Schlitz- selbstschneidende Verbindungselemente zur Herstellung von Schraubverbindungen in Werkstoffen mit geringer Scherfestigkeit,- mit Schlitz und Ausnehmung zur Aufnahme anfallender Späne- geeignet für Holz und Kunststoff- geeignet zum automatischen Einschrauben. Vorbohrempfehlungen (Richtwerte)* Aufnahmeloch (abhängig vom Verarbeitungswerkstoff)** Mindestlochtiefe (Sacklöcher): Muffenlänge zuzüglich 1 bis 3 mm.Weitere Hinweise finden Sie auf dem Datenblatt SM 1291-50, Katalogseite 308.

Ab 0,21 €* inkl. MwSt.
Gewindeeinsatz, Grobgewinde | SM 1291-82
Gewindeeinsatz, Grobgewinde | SM 1291-82
selbstschneidendmit Innensechskant Material:SV: Stahl, verzinktMS: MessingN2: Edelstahl rostfrei 1.4305N3: Edelstahl rostfrei 1.4571 Gewindeeinsätze mit Außengewinde und Innensechskant- selbstschneidende Verbindungselemente zur Herstellung von Schraubverbindungen in Werkstoffen mit geringer Scherfestigkeit- geeignet für Holz und Kunststoff, z. B. für die unsichtbare Verbindung von Möbelteilen; Edelstahl rostfrei 1.4305 im Bootsbau- vereinfachtes Einschrauben durch Führungsansatz per Hand. Vorbohrempfehlungen (Richtwerte)* Aufnahmeloch (abhängig vom Verarbeitungswerkstoff)** Mindestlochtiefe (Sacklöcher): Muffenlänge zuzüglich 1 bis 3 mm.Weitere Hinweise finden Sie auf dem Datenblatt SM 1291-50, Katalogseite 308.

Ab 0,29 €* inkl. MwSt.
Gewindeeinsatz | SM 1291-60
Gewindeeinsatz | SM 1291-60
selbstschneidendmit drei Bohrungen Material: SGV: Stahl gehärtet, gelb verzinkt(SM 1291-60M04X08SGV Restbestände) Innengewinde d1, nach ISO 6H,Außengewinde d2, metrisch, Toleranzen nach Werknorm Geeignet zum Einbau in:- Aluminium und Aluminium-Legierungen- Magnesium-Legierungen- Duroplast, Thermoplast (ausgenommen gummiweiche Thermoplaste 100 Shore A) Gewindeeinsätze mit Innen- und Außengewinde- selbstschneidende Verbindungselemente zur Herstellung hochbelastbarer, verschleißfester, vibrationssicherer Schraubverbindungen in Werkstoffen mit geringer Scherfestigkeit- 3 Schneidbohrungen unterstützen das Einschrauben in härtere Materialien- im montierten Zustand mit durchgängig nutzbarem Innengewinde.Weitere Hinweise finden Sie auf dem Datenblatt SM 1291-50, Katalogseite 308.

Ab 0,81 €* inkl. MwSt.
Gewindeeinsatz | SM 1291-63
Gewindeeinsatz | SM 1291-63
selbstschneidendmit drei Bohrungen, 1.4571 Material: NI: Edelstahl rostfrei 1.4571 Innengewinde d1, nach ISO 6H Außengewinde d2, metrisch, Toleranzen nach Werknorm. Weitere Hinweise finden Sie auf dem Datenblatt SM 1291-50, Katalogseite 308. Vorbohrempfehlungen (Richtwerte)* Aufnahmeloch, abhängig vom Verarbeitungswerkstoff** Mindestlochtiefe (Sacklöcher): Muffenlänge zuzüglich 1 bis 3 mm. Gewindeeinsätze mit Innen- und Außengewinde- selbstschneidende Verbindungselemente zur Herstellung hochbelastbarer, verschleißfester, vibrationssicherer Schraubverbindungen in Werkstoffen mit geringer Scherfestigkeit,- mit 3 Schneidbohrungen, die das Einschrauben in härtere Materialien unterstützen,- geeignet zum Einbau in Aluminium und Aluminium-Legierungen, Magnesium-Legierunen, Duroplast, Thermoplast (ausgenommen gummiweiche Thermoplaste 100 Shore A).

Ab 3,22 €* inkl. MwSt.