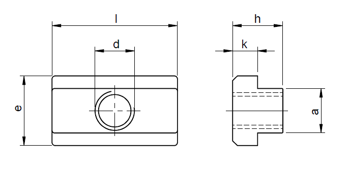
Nut for T-slots, long | SM 1134












from €4.52*
€18.93*
Delivery time: 1-3 days working days
Diameter | Size | Product number | Unit price | Buy |
---|
long
Material: heat-treated steel, tempered, grade 10, blackened
This extended form safegards the T-slots of precision machine tables.
RoHS-compliant: yes
Element type: | Screws / Nuts |
---|---|
Material: | Quenched and tempered steel |
Surface: | Steel - burnished |
Type: | T-Slot Nuts and Accessories |
Zubehör
Ähnliche Artikel