Clamping pin | SM 1273-84












from €34.64*
€43.10*
Available in 5 days
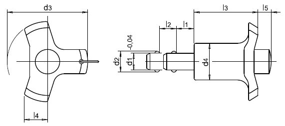
Diameter 1 | Length 1 | Product number | Unit price | Buy |
---|
Ball clamping bolt
self-locking
with span compensation
Material:
pin: stainless steel 1.4305
spring: stainless steel
handle: plastic (PA 6)
Pressing = unlocking
Used for locking and simultaneously tightly connecting thin walled plates.
Clamping distance of 5 mm for clamping of sheets for welding work,
for protection, coverings to close doors etc.
The advantages of these ball lock pins are corrosion resistants, ergonomic grip, can easily be fitted with the safety cord SM1273-86 or with the ball chains SM 1273-87.
The temperature range is from -30 °C up to +80 °C.
RoHS-compliant: yes
Colour: | Disengagement button: orange, Knob / Handle: grey |
---|---|
Compliance: | RoHS compliant |
Material: | Bolt: Stainless steel, Knob / Handle: Plastic, Stainless steel, Thermoplastic |
Speciality: | Pressing the button = unlocking, With releasing knob, self-locking |
Type of use: | Ball support bolt / ball clamping bolt, Bolt |
Accessories
Similar Items