Clamping screw | SM 2205








from €8.13*
€8.13*
Available in 5 days
Size | Product number | Unit price | Buy |
---|
for push / pull type clamps
for massive and fixed clamping arms
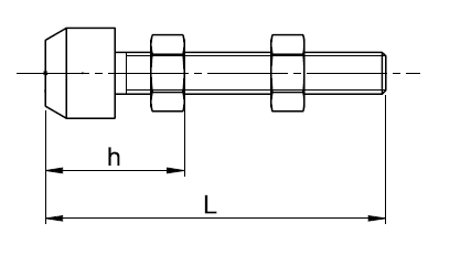
Material:
ST: steel tempered, tensile strength class 8.8
galvanized and passivated.
With two nuts and
with removable protective cap
made of oil-resistant NBR + NR
Application for
SM 2030 Vertical acting toggle clamp with horizontal base, with solid arm
SM 2040 Vertical acting toggle clamp with vertical base, with solid arm
SM 2050 Vertical acting toggle clamp with horizontal base, clamping arm with clamping screw
SM 2060 Heavy acting toogle clamp, vertical, with horizontal base
SM 2070 Heavy acting toogle clamp, vertical, with vertical base
Please refer to the datasheet for the exact assignment of sizes.
Clamp type: | Accessories |
---|---|
Material: | Steel |
Speciality: | With protective cap |
Accessories
Similar Items